1. Introduction
With the continual development of LCD technologies, TFTs have become widely available at a lower price point. The manufacturing process of TFTs has been standardized which has changed the industry for display applications, making TFTs a feasible replacement option for graphic LCDs. This application note will discuss the options for replacing a graphic LCD with a TFT LCD. Considerations of price, size, features and functions will be analyzed to evaluate the options for TFT displays in place of a graphic LCD.
![]() | ![]() |
The two displays that will be reviewed in this application are described in the table below. These displays are similar in size and cost but vary in features and technical specifications.
| Item | Specification | Unit | |
|---|---|---|---|
| Part No. | E30RA-FW400-N | G12864B-BW-LW63 | – |
| Type | TFT | Graphic LCD | – |
| Resolution | 480×854 | 128×64 | dots |
| Colors | 16.7M | Monochrome | – |
| Size | 42.04 x 73.67 x 2.17 | 89.70 x 49.80 x 6.00 | mm |
| Interface | SPI+RGB | 8080 Parallel | – |
| Voltage | 3.3 | 3 | V |
Graphic LCDs are common for industrial applications where the features of TFTs are not justified by price. In recent years, TFT manufacturing has broadened its standard manufacturing process, making TFTs a competitor in typical graphic LCD applications.
TFTs offer additional features that graphic LCDs cannot provide. Such features consist of high color and resolution. TFTs also have the benefit of integrating capacitive and resistive touch functions to the display. If you are considering replacing a current graphic LCD, it may be time to switch to a TFT.
A side-by-side analysis of the interfaces, capabilities and features will be shown to elaborate the processes of switching display technologies.
2. Graphic LCDs
Graphic LCDs are a common display for industrial applications where vivid and high-resolution graphics are not essential to the application. Graphic displays typically have an 8-bit parallel interface which does not require a high frequency clock to communicate with the display. The graphic display in this example has 128 x 64 dots of resolution. This means the memory requirement of the frame buffer for this display is small and is provided by the IC on the display. Graphic LCDs do not offer RGB pixel color and display pixels as either on or off.
Significant limiting factors for graphic LCDs include the resolution and color depth of the display. The options for what can be displayed is restricted to a small area, in this example 128×64 pixels. This means that the image must be very low resolution and text must be very small. Typical graphic LCD applications display text or small user interface option.
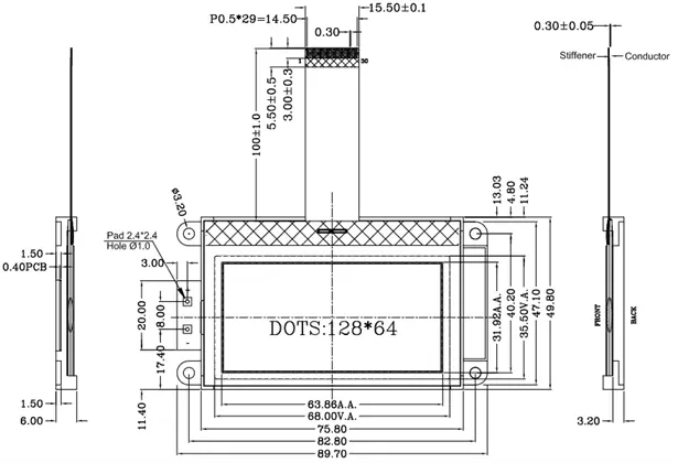
The dimensions of G12864B-BW-LW63 are reviewed below. This graphic LCD is close in size to E30RA-FW400-N, the main differences being the mounting of the backlight and the depth of the displays. This graphic LCD is transmissive, STN blue, with a white LED backlight. The demo images will be displayed with white pixels and a blue background.

An example application for this graphic LCD will be reviewed in comparison with the TFT. The graphic LCD is interfaced over an 8-bit parallel connection. The display controller IC, ST7565, provides 8 pages of display RAM, an internal oscillator, and power regulation functions. This makes it easy to control a graphic LCD with a simple 8-bit controller because the main functions are provided internally.
A detailed tutorial of the display setup is reviewed in application note FAN3205 . A summary of this application note can be found below:
The graphic LCD will display a menu followed by a temperature measurement screen. This is to provide an example of a typical graphic LCD application. Below is an example of the menu and the temperature measurement screen before they are uploaded onto the display.
![]() | ![]() |
Pixel size is limited for graphic LCDs. The full page consists of 128×64 pixels so the images must be low resolution and small. The amount of RAM provided by the embedded IC of the display will support 8 full pages of display data. The images must be black and white but will appear as white and blue once uploaded to the display. Below are the images of the display with these example applications uploaded.
![]() | ![]() |
The individual pixels can be seen on the graphic LCD and can be altered to project a monochrome image. STN blue graphic LCDs will display white pixels over a blue background. The amount that can be displayed in one page is restricted to 128×64 pixels. Simple icons and characters are common options for graphic display applications.
The design for graphic displays must be simplified to low resolution texts and icons. When you get down to a low resolution, such as 128×64 pixels, every pixel counts in creating a coherent image. This is why there is a standard set of icons used, and you will see them across graphic display applications. These icons are reminiscent of an early Windows computer era, 1980’s/1990’s. Most of these applications have already transferred to higher resolution and colored TFTs.
3. TFTs
TFTs have begun to replace graphic LCDs in many applications. This is largely due to the price decrease of the displays and the electronics required to support them. The price of microprocessors and memory chips has substantially decreased, making TFTs a competitive alternative to graphic LCDs. TFT displays have the benefit of higher graphics quality, color, and speed for no extra cost.
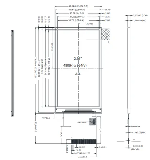
The TFT used in this application is close in size to the graphic display. The display can be used both vertically and horizontally by changing the scan direction register. This can also be done by changing the page and column addresses before writing to RAM. The dimensions of the TFT are reviewed below from a vertical reference.

TFT displays offer a higher resolution and color depth. The TFT in this application has a resolution of 480×854 and can display up to 16.7 million colors. The combinations of color and the number of available pixels drastically increases the options for what can be displayed.
The TFT’s size is similar to the graphic LCD, but the resolution area is over six times larger. This makes a significant difference in image quality and available area. Below are the two graphic LCD demos displayed on the TFT.

Both graphic LCD demos can fit in the TFT display resolution and only take up a fraction of the total area available. The resolution of the TFT is highlighted by the amount of data that can be stored in one frame of the display area. Each pixel makes up only a small part of the image which means high resolution images can be portrayed. The same image is uploaded on both the graphic LCD and the TFT below.

TFTs also differ from graphic LCDs because they can display colors. This display supports 24-bits of color data for each pixel. This mean there are 16.7 million colors to select from. The graphic LCD writes to each pixel as on or off. The TFT assigns each pixel 24-bits of color data which means there are 16.7M unique colors that can be displayed.
TFTs have become increasingly standard for most display applications. Even if the application does not require high definition for its intended function, the comparable price for each display type makes the graphics quality an added bonus.
E30RA-FW400-N uses a 24-bit parallel interface and renders 24-bpp of color data for each pixel. This interface is fast enough to support this resolution and color depth to maintain a frame rate of 60 Hz. The only draw-back to this interface is the number of data pins that must be connected to a controller. TFTs come with many different interfaces depending on the resolution.
The graphic LCD demo can be recreated for the TFT to display more complex elements and colors. The addition of color and an increased pixel area gives the display more flexibility on what can be displayed and the quality of the image. TFT displays also have the benefit of touch interface options which can incorporate the user interface on the screen. Below is the example displayed on the TFT.

4. Considerations
Some considerations should be made when switching from a graphic LCD to a TFT. A higher resolution means more pixels per frame. An increase in color depth means there is more data assigned to each of the pixels. The memory cost for one page of data can add up quickly depending on size and color depth chosen. The TFT in this example needs a minimum of 1.23MB if using the 24-bpp color depth. A lower color depth can be chosen through commands if you want to reduce memory costs.
The display also requires a higher speed interface to support its resolution and color depth. This display can be interfaced over a 16, 18 or 24-bit parallel interface with a clock cycle of 24.5MHz. This is the minimum speed required to maintain a frame rate of 60Hz. A high-speed controller is also required for this. Since high-speed controllers are becoming more affordable, these constraints are not as significant of a factor as they used to be.
DISCLAIMER
Buyers and others who are developing systems that incorporate FocusLCDs products (collectively, “Designers”) understand and agree that Designers remain responsible for using their independent analysis, evaluation and judgment in designing their applications and that Designers have full and exclusive responsibility to assure the safety of Designers’ applications and compliance of their applications (and of all FocusLCDs products used in or for Designers’ applications) with all applicable regulations, laws and other applicable requirements.
Designer represents that, with respect to their applications, Designer has all the necessary expertise to create and implement safeguards that:
(1) anticipate dangerous consequences of failures
(2) monitor failures and their consequences, and
(3) lessen the likelihood of failures that might cause harm and take appropriate actions.
Designer agrees that prior to using or distributing any applications that include FocusLCDs products, Designer will thoroughly test such applications and the functionality of such FocusLCDs products as used in such applications.





