This application note will discuss how to connect an external power source to drive the Liquid Crystal segments on the display. This will forgo the use of the internal voltage boosting circuits. Many graphic LCD’s will offer embedded analog power supply circuits to regulate the Liquid Crystal driving parameters. The display in this application G126GLGFYSY6WT is a 128×64 pixel graphic LCD.
1. Introduction
Many graphic LCD’s will offer embedded analog power supply circuits to regulate the Liquid Crystal driving parameters. The standard power circuits found in these LCD drivers are Booster, Regulator and Follower. It is often recommended to use an external power supply instead of the voltage boosting circuit for larger displays.
This application note will discuss how to connect an external power source to drive the Liquid Crystal segments on the display. This will forgo the use of the internal voltage boosting circuits. It is recommended that the voltage regulator and voltage following circuits be used in conjunction with the external power source.
The display in this application G126GLGFYSY6WT is a 128×64 pixel graphic LCD. The details of this display are as follows: (data sheet)

- 30 pins, 72x46x4.2mm
- 128×64 pixels, FSTN
- LCD Driver: ST7565P
- Yellow/Green Backlight
- Transflective (Positive)
- Serial and Parallel interfaces
- Viewing Angle: 6:00

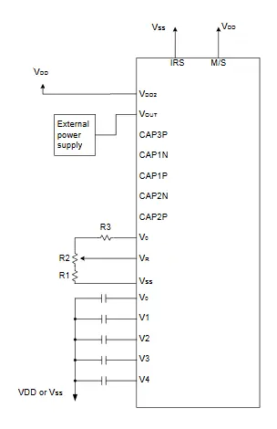
It is necessary to provide the LCD driver 9.60 V to operate. This can be done with the voltage boosting circuit or by providing 9.60 V directly to the V0-V4 inputs (Figure 1). This approach excludes the booster, regulator and follower circuits. The voltage boosting circuit and the capacitors C1-C3 (positive and negative) can be removed and left open. It is important to note that the voltages V0-V4 must maintain the relative magnitudes as shown below:

While these conditions can be met by applying different voltages to each of the (V0-V4) terminals, as seen in Figure 1, it is recommended to use the on-chip voltage follower circuit to change the impedance to provide these voltages (V1-V4) internally. The voltage V0 is produced by a resistive voltage divider which can be applied internally or externally. (Figure 2 & Figure 3)
When the internal power circuit is used, the voltages will be generated according to the following table.



It is important to note that the capacitors (1µF-4.4µF) are connected to the V0-V4 terminals for the voltage following circuit to be active. The voltage regulator (either internal or external) is composed of a voltage divider and is combined with an op-amp for the voltage follower circuit. The following relationship is maintained between V0 and Vout as it applies to the voltage divider.

When the internal voltage regulator is used the resistance values and thus V0 can be adjusted through commands to the resistor ratio and electronic volume registers. The electronic volume and resistor ratio act as a digital potentiometer that is controlled by changing the register values in software. The electronic volume register has 64 levels to adjust the contrast of V0. The resistor ratio can be set to 8 different levels. The relationship between V0, electronic volume and resistor ratio is seen in Figure 4.

To calculate the values needed for the resistor ratio the following equation can be used, where Vreg for the IC ST7565 is 2.1V and α is a level between 0-63.

To calculate the specific resistor ratio and electronic volume for this display we can use the following values from the data sheet. VLCD is indicated to be 9.60V (TYP). The following table shows the relationship between V0 and . First, we will calculate the resistor ratio necessary to produce 9.6V about halfway between the digital potentiometer (α=31)

The resistor ratio at this electronic volume is:

The following table shows the relationship between V0 and α at the resistor ratio 5 using the previous equations.

It is important to note that α at level 0 is essentially the digital potentiometer in the off state. Therefore, the input voltage (connected to Vout) needed to meet the above requirements is 12.6V. This can be supplied using an external battery if you choose not to use the voltage boosting circuit.
These values will be instantiated as hexadecimal or binary values when programming of the display. The electron volume register is 6-bits stored in D0-D5. The electronic volume would be (D5,D4,D3,D2,D1,D0) = (1,0,0,0,0,0) at α =31. It is important to note that the binary register value does not equal the decimal α value. This is further explained in the following table.

The resistor ratio is stored in a 3-bit register and can be 8 different values ranging from 3 to 6.5. The resistor ratio set to 5 is represented as (1,0,0).

These values can be used when programming the display to adjust the contrast digitally. To use these values when programming we will need to send the following commands to the display.
Power Controller Set → Set Resistor Ratio → Set Electronic Volume
In continuation of the previous example, the following commands will need to be sent to the display.

The sequence of commands shown in the table can be seen in the program files for this example. The setup for this example is using the 4-wire serial interface and excludes the additional data commands that would be sent if using a parallel interface. For more information on the use of parallel interface commands refer to the LCD driver data sheet ST7565P.
The commands are instantiated in the program files as follows:

Above are the generic values without changes to the power supply circuits, resistor ratio or electronic volume. In the .c file we can add the values using the bitwise operator. This can be seen below with the specific values for this example.

Lastly the electronic volume can be controlled through the main file by creating a brightness function.

DISCLAIMER
Buyers and others who are developing systems that incorporate FocusLCDs products (collectively, “Designers”) understand and agree that Designers remain responsible for using their independent analysis, evaluation and judgment in designing their applications and that Designers have full and exclusive responsibility to assure the safety of Designers’ applications and compliance of their applications (and of all FocusLCDs products used in or for Designers’ applications) with all applicable regulations, laws and other applicable requirements.
Designer represents that, with respect to their applications, Designer has all the necessary expertise to create and implement safeguards that:
(1) anticipate dangerous consequences of failures
(2) monitor failures and their consequences, and
(3) lessen the likelihood of failures that might cause harm and take appropriate actions.
Designer agrees that prior to using or distributing any applications that include FocusLCDs products, Designer will thoroughly test such applications and the functionality of such FocusLCDs products as used in such applications.